集中电源集中控制型消防应急照明灯具
产品概述
集中电源集中控制型消防应急照明系列灯具造型独特,轻巧美观。采用超高亮度LED灯,功耗低、寿命长、光色柔和、无辐射。灯具按照国家标准GB17945-2010《消防应急照明和疏散指示系统》设计和制造。消防应急照明灯具根据应急照明控制器下发的指令执行相应的操作,并对照明灯具进行自检,出现故障将进行报警并将故障信息存储。
消防应急照明灯具应安装在无滴水和能防雨雪的地方。
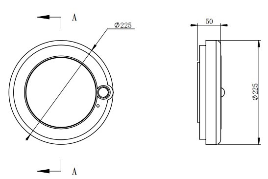
吸顶灯

外形尺寸

技术参数
| 产品型号 | KR-ZFJC-E7W-36 | |
| 输入电压 | DC36V | |
| 光源 | 超高亮LED | |
| 功能 | 巡检、常亮、灭灯 | |
| 安装方式 | 吸顶安装 | |
| 功率 | 7W | |
| 执行标准 | GB17945-2010 | |
| 工作环境 | 相对湿度 | 0~90%RH |
| 环境温度 | 0℃~55℃ | |
| 海拔高度 | 2000米以下 | |
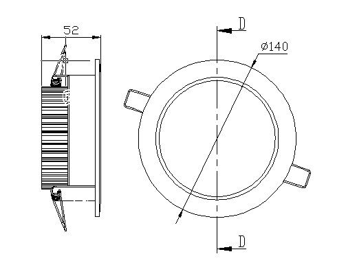
内装式筒灯

外形尺寸

技术参数
| 产品型号 | KR-ZFJC-E5W-36 KR-ZFJC-E3W-36 | |
| 输入电压 | DC36V | |
| 光源 | 超高亮LED | |
| 功能 | 巡检、常亮、灭灯 | |
| 安装方式 | 内嵌式安装 | |
| 内嵌安装开孔尺寸 | 建议开孔Φ130mm | |
| 功率 | 5W/3W | |
| 执行标准 | GB17945-2010 | |
| 工作环境 | 相对湿度 | 0~90%RH |
| 环境温度 | 0℃~55℃ | |
| 海拔高度 | 2000米以下 | |
壁挂灯

外形尺寸

技术参数
| 产品型号 | KR-ZFJC-E2W-36 | |
| 输入电压 | DC36V | |
| 光源 | 超高亮LED | |
| 功能 | 巡检、常亮、灭灯 | |
| 安装方式 | 壁挂明装 | |
| 功率 | 2W | |
| 执行标准 | GB17945-2010 | |
| 工作环境 | 相对湿度 | 0~90%RH |
| 环境温度 | 0℃~55℃ | |
| 海拔高度 | 2000米以下 | |
壁挂灯

外形尺寸

技术参数
| 产品型号 | KR-ZFJC-E2W-36 | |
| 输入电压 | DC36V | |
| 光源 | 超高亮LED | |
| 功能 | 巡检、常亮、灭灯 | |
| 安装方式 | 壁挂明装 | |
| 功率 | 2W | |
| 执行标准 | GB17945-2010 | |
| 工作环境 | 相对湿度 | 0~90%RH |
| 环境温度 | 0℃~55℃ | |
| 海拔高度 | 2000米以下 | |
- 上一条:没有了
- 下一条:集中电源集中控制型消防应急标志灯具

鲁公网安备 37100302000397号